天下销售热线:
星亿娱乐官网-多元游戏体验转达快乐文化简介
鼓型齿式联轴器
万向联轴器
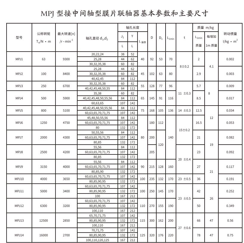
膜片联轴器
弹性联轴器
卷筒联轴器
梅花联轴器
滚子链联轴器
星形弹性联轴器
滑块联轴器
蛇形弹簧联轴器
凸缘联轴器
夹壳联轴器
MAL型摩擦式清静联轴器
轮胎式联轴器
企业动态
行业资讯
联系星亿娱乐官网-多元游戏体验转达快乐文化
在线留言
星亿娱乐官网-多元游戏体验传递快乐文化
公司地点:镇江市丹徒区高资街道中冶迎宾大道1号
联系电话:15896353995
公司邮箱:sales@cnzyzg.cn
DMB型键毗连单型弹性膜片联轴器
DMA型单型弹性膜片联轴器
SM型键毗连双型弹性膜片联轴器
MP型膜片联轴器
联系电话:0511-85723800
联系手机:15896353995
微信咨询
15896353995
上班时间
周一到周六
公司电话
0511-85723900